1.液壓馬達制動器動作特點
制動器僅在駐車狀態使用,為了減少摩擦片磨損,提高使用壽命,通常設備啟動時液壓馬達駐車制動器打開先于液壓馬達動作。設備停止時,液壓馬達駐車制動器關閉晚于液壓馬達停止。
通常液壓馬達駐車制動器活塞質量很小(通常為2-10KG左右),所以慣性很小。反觀整個工程機械設備/上車回轉部分/卷揚系統質量比較大(幾百千克到幾十噸),慣性大。因此通常設備啟動時行走液壓馬達駐車制動器打開先于液壓馬達動作的。而且制動器開啟壓力通常大于10-20bar左右,所以說從建壓角度,制動器也更容易先打開。因此后文主要分析制動時,駐車制動器如何晚于液壓馬達動作。
因為馬達都有內泄漏,為了使設備能夠可靠的停留在斜坡位置(針對行走馬達)、上車回轉位置(針對回轉馬達)、重物在高空中可靠的停留(卷揚馬達),通常需要加駐車制動器。
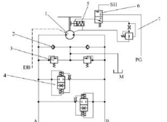
制動器都有一定承壓范圍,制動器可以用外接單獨的一股控制油路進行控制,如果制動器控制油通過主油路引入,主油路壓力比較高,需要增加新的措施保證制動器不超壓。
1)主油路增加減壓閥

2)制動器控制油通過外接單獨的控制油路進行控制

3)通過分壓實現(液壓半橋)


2.液壓馬達制動器按應用位置分類
1)行走液壓馬達制動器;
2)回轉液壓馬達制動器;
3)卷揚/絞盤馬達制動器;
3.液壓馬達不同用在不同位置時工況特點以及設計需求
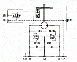
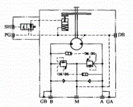
1)行走液壓馬達駐車制動器
行走液壓馬達主要負載為摩擦力、處于斜坡位置時自身重力產生的負載。摩擦力為主要負載,且摩擦力負載為正向負載。因此行走液壓馬達制動時慣性負載較小,因此有些時候不用加雙向二次溢流閥緩沖。
為了防止設備處在斜坡位置向下行駛時失速下降,通常需要加限速閥/平衡閥。
通常行走馬達制動時間為1-2s左右,因此要求制動器復位時間為3-4s左右,不能太長,也不能太短。設備停止時,為了使行走液壓馬達駐車制動器關閉晚于液壓馬達停止,制動器活塞桿腔液壓油通過0.4-0.6mm(此泄油小孔數值非常重要)左右泄油小孔回油箱,延遲制動器復位時間。或者是通過流量閥回油(流量閥流量很重要),延遲制動器復位時間。也可以考慮適當增加制動器活塞行程(2mm~5mm左右,此數值也很重要)來延遲制動器復位時間。
通過回油泄油小孔延遲制動:

通過回油小的流量閥延遲制動:

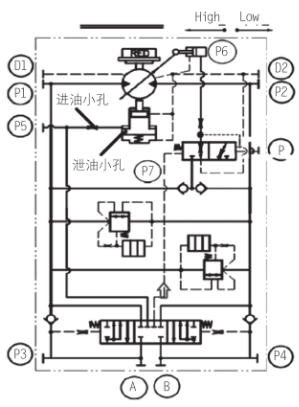
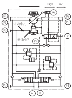
2)回轉液壓馬達駐車制動器
回轉類負載較小時,慣性略小(例如擺線馬達場合),只用平衡閥就能實現緩沖。

回轉類負載如果比較大,比如汽車吊、履帶吊、旋挖鉆、連續墻等等,慣性比較大,需要雙向溢流閥進一步實現緩沖,緩沖時間有可能達到2-3s左右才會停止動作。因此制動時馬達特別不容易停下。因此設計時更需要注意馬達停止回轉后,制動器再關閉。因此特別需要注意箭頭位置阻尼孔大小(0.4-0.6mm),和適當增加制動活塞行程(2-5mm左右)。

3)卷揚/絞車液壓馬達駐車制動器
此種負載特點負載變化大PL在PLmin(空載)和PLmax(滿載)之間變化。
下圖卷揚上升時:
P1壓力大于制動器開啟壓力Pr,這樣才能更加可靠的開啟制動器。當PLmin時,P1最小。即

液壓馬達駐車制動器研究
下圖卷揚下放時:
如果用普通同向型平衡閥,平衡閥開啟條件

液壓馬達駐車制動器研究
當PL越大,P3越小,當PL=PLmax時,P3為

液壓馬達駐車制動器研究
為了確保制動器可靠的開啟,需要下面公式成立。如果無法確保公式成立,有可能會產生制動器時開時關,運動不平穩,制動器摩擦片磨損嚴重。

液壓馬達駐車制動器研究

Copyright ?山東森特克液壓有限公司 | 螺紋插裝閥&二通插裝閥應用專家 | 致力于插裝閥集成系統優訂制&液壓伺服控制系統,Inc.All rights reserved. 魯ICP備16019183號 Powered by CmsEasy